Ваш город:
Москва
Отправить сообщение
Вход
Войти
Регистрация
0
Каталог товаров
CF1000AZ-2
CF1000AZ-2A
CF1000AZ-3
CF800AZ-3
CF600AU-3LA
CF500AU-9L
CF400AZ-3L
Аксессуары
Внедорожные фары
2V91Y-F FOR CF1000AZ-2(2A,3)
2V91W-F FOR CF800AZ-3
191S-B FOR CF600AU-3LA
191Q FOR CF400AU-3L/3S
191R-E FOR CF500AU-9L/9S
Бренды
Производитель 1
Производитель 2
О магазине
Оплата
Доставка
Контакты
Багажные платформы каркас (F14-1)
Багажные платформы пластик (F14-2)
Рама в сборе (F03-V3)
Рама в сборе (F03-V4)
Рама в сборе
Бампер (F23)
Внешние световые приборы (F16)
Передние пластиковые детали 1 (F04-1)
Передние пластиковые детали 2 (7-дюймовая панель) (F04-2-A-V3)
Передние пластиковые детали 2 (8-дюймовая панель) (F04-2-B-V3)
Средние пластиковые детали (F04-3-V2)
Задние пластиковые детали (F04-4-V3)
Внутренние пластиковые детали (F04-5-V2)
Воздушный фильтр в сборе (F41)
Детали руля (F10-1-V2)
Рулевая система (EPS) (F10-2)
Задние амортизаторы (YiTong) (F06-2-A)
Задние амортизаторы (YuAn) (F06-2-B)
Задние амортизаторы (F06-2)
Задние колеса (F11-A)
Задние колеса (бедлок) (F11-B)
Задний привод (F28)
Задний редуктор (с разблокировкой) (F33-A)
Задняя редуктор (без разблокировки РФ) (F33-B)
Задний редуктор
Задняя подвеска (F06-1)
Посмотреть все...
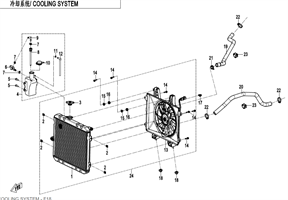
Система охлаждения двигателя (F18)
Главная
Каталог
CF1000AZ-2
Система охлаждения двигателя (F18)
Сортировка:
Без сортировки
Популярные
Новинки
Сначала дешевле
Сначала дороже
По размеру скидки
Высокий рейтинг
Названию, по возрастанию
Названию, по убыванию
Всего найдено:
23
Артикул
Наименование
Наличие
Цена
30601-111010
Кольцевое кольцо A11
Артикул:
30601-111010
в наличии
отсутствует
Добавить
23
руб.
9AWV-181100-8000
Компоненты радиатора
Артикул:
9AWV-181100-8000
в наличии
отсутствует
Добавить
18 463
руб.
9AWV-181000-8000-20
Шинная гайка M6
Артикул:
9AWV-181000-8000-20
в наличии
отсутствует
Добавить
351
руб.
8010-180024
Добавьте сборку крышки выхода воды
Артикул:
8010-180024
в наличии
отсутствует
Добавить
515
руб.
9AWV-180003-8000
Подрезервуарная соединительная труба
Артикул:
9AWV-180003-8000
в наличии
отсутствует
Добавить
117
руб.
9DQV-180310-3000
Прямоугольный адаптер для вторичного резервуара
Артикул:
9DQV-180310-3000
в наличии
отсутствует
Добавить
117
руб.
8010-180023
Второстепенное укрытие резервуара
Артикул:
8010-180023
в наличии
отсутствует
Добавить
117
руб.
30601-108010
Кольцевое кольцо A8
Артикул:
30601-108010
в наличии
отсутствует
Добавить
23
руб.
9DQV-180300-3000-21
Протекающая труба вторичного водяного бака
Артикул:
9DQV-180300-3000-21
в наличии
отсутствует
Добавить
117
руб.
9AWV-181200-8000
Комбинация вентиляторных моторов
Артикул:
9AWV-181200-8000
в наличии
отсутствует
Добавить
13 081
руб.
9060-180029
Резиновая втулка буфера радиатора
Артикул:
9060-180029
в наличии
отсутствует
Добавить
47
руб.
9060-180026
Резиновая втулка для расположения штифтов радиатора
Артикул:
9060-180026
в наличии
отсутствует
Добавить
94
руб.
9AWV-180001-8000
Водозаборная труба радиатора
Артикул:
9AWV-180001-8000
в наличии
отсутствует
Добавить
1 381
руб.
9AWV-180002-8000
Выходная труба радиатора
Артикул:
9AWV-180002-8000
в наличии
отсутствует
Добавить
2 410
руб.
A000-180006
Кольцевое кольцо B30
Артикул:
A000-180006
в наличии
отсутствует
Добавить
176
руб.
9010-180007
Узел зажимов водяной трубы
Артикул:
9010-180007
в наличии
отсутствует
Добавить
199
руб.
9AWV-180004-8000
Нейлоновая кронштейн
Артикул:
9AWV-180004-8000
в наличии
отсутствует
Добавить
304
руб.
9AWV-181000-8000
Комбинация радиатора
Артикул:
9AWV-181000-8000
в наличии
отсутствует
Добавить
37 627
руб.
9DQV-180300-3000
Комбинация субтанков
Артикул:
9DQV-180300-3000
в наличии
отсутствует
Добавить
1 591
руб.
30006-060020810
Болты
Артикул:
30006-060020810
в наличии
отсутствует
Добавить
23
руб.
9DQV-180300-3000-22
Подбак подключён к шлангу
Артикул:
9DQV-180300-3000-22
в наличии
отсутствует
Добавить
140
руб.
6KM#-181001-8001
Амортизирующие резиновые накладки
Артикул:
6KM#-181001-8001
в наличии
отсутствует
Добавить
94
руб.
CFCV-CAC002-2000-M1
КЛИП
Артикул:
CFCV-CAC002-2000-M1
в наличии
отсутствует
Добавить
82
руб.