Ваш город:
Москва
Отправить сообщение
Вход
Войти
Регистрация
0
Каталог товаров
CF1000AZ-2
CF1000AZ-2A
CF1000AZ-3
CF800AZ-3
CF600AU-3LA
CF500AU-9L
CF400AZ-3L
Аксессуары
Внедорожные фары
2V91Y-F FOR CF1000AZ-2(2A,3)
2V91W-F FOR CF800AZ-3
191S-B FOR CF600AU-3LA
191Q FOR CF400AU-3L/3S
191R-E FOR CF500AU-9L/9S
Бренды
Производитель 1
Производитель 2
О магазине
Оплата
Доставка
Контакты
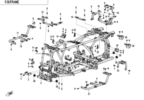
Рама в сборе (F03-V3)
Рама в сборе (F03-V4)
Рама в сборе (F03-V4)
Главная
Каталог
CF1000AZ-2
Рама в сборе
Рама в сборе (F03-V4)
Сортировка:
Без сортировки
Популярные
Новинки
Сначала дешевле
Сначала дороже
По размеру скидки
Высокий рейтинг
Названию, по возрастанию
Названию, по убыванию
Всего найдено:
29
Артикул
Наименование
Наличие
Цена
30204-080810
Полностью металлическая шестиугольная фланцевая фиксирующая гайка
Артикул:
30204-080810
в наличии
отсутствует
Добавить
35
руб.
5BWV-030050-5000
Кронштейн адаптера на передней оси
Артикул:
5BWV-030050-5000
в наличии
отсутствует
Добавить
515
руб.
9AYV-031000-8500
Сварная конструкция с рамой
Артикул:
9AYV-031000-8500
в наличии
отсутствует
Добавить
47 011
руб.
9AWV-030003-8000
Передняя крепежная пластина двигателя
Артикул:
9AWV-030003-8000
в наличии
отсутствует
Добавить
199
руб.
9AWV-030040-8000
Крепление распределительного клапана тормозов
Артикул:
9AWV-030040-8000
в наличии
отсутствует
Добавить
152
руб.
9AWV-030400-8001
Монтажный кронштейн передней полки
Артикул:
9AWV-030400-8001
в наличии
отсутствует
Добавить
2 691
руб.
9AWV-030090-8002
Кронштейн для монтажной трубки впускной трубки воздушного фильтра
Артикул:
9AWV-030090-8002
в наличии
отсутствует
Добавить
176
руб.
9AWV-030080-8000
Фиксированный кронштейн перед воздушным фильтром
Артикул:
9AWV-030080-8000
в наличии
отсутствует
Добавить
351
руб.
9AWV-030005-8000
Крепления подушек переднего сиденья
Артикул:
9AWV-030005-8000
в наличии
отсутствует
Добавить
491
руб.
9AWV-030500-8002
Монтажный кронштейн задней полки
Артикул:
9AWV-030500-8002
в наличии
отсутствует
Добавить
3 861
руб.
9010-030005
Резиновая накладка с аккумуляторной пластиной
Артикул:
9010-030005
в наличии
отсутствует
Добавить
59
руб.
0180-065206-00001
Прокладки
Артикул:
0180-065206-00001
в наличии
отсутствует
Добавить
59
руб.
9AWV-030060-8001
Аккумуляторный компрессионный ремень
Артикул:
9AWV-030060-8001
в наличии
отсутствует
Добавить
468
руб.
9AWV-030010-8000
Крепление переднего среднего крепления двигателя
Артикул:
9AWV-030010-8000
в наличии
отсутствует
Добавить
445
руб.
9AWA-030001-10000
Крепление заднего изоляционного кронштейна
Артикул:
9AWA-030001-10000
в наличии
отсутствует
Добавить
140
руб.
9AWV-030020-8000-0BP00
Кронштейны установлены на задней оси
Артикул:
9AWV-030020-8000-0BP00
в наличии
отсутствует
Добавить
1 474
руб.
9AWV-030002-8000-0BP00
Монтажная пластина отражателя
Артикул:
9AWV-030002-8000-0BP00
в наличии
отсутствует
Добавить
152
руб.
9AWA-044051
Квадратная пробка трубы
Артикул:
9AWA-044051
в наличии
отсутствует
Добавить
211
руб.
30006-102020810
Болты
Артикул:
30006-102020810
в наличии
отсутствует
Добавить
59
руб.
30006-060012810
Болт M6×12
Артикул:
30006-060012810
в наличии
отсутствует
Добавить
23
руб.
30006-080020810
Болты
Артикул:
30006-080020810
в наличии
отсутствует
Добавить
35
руб.
30006-080016810
Болт M8x16
Артикул:
30006-080016810
в наличии
отсутствует
Добавить
47
руб.
30006-080045810
Болты
Артикул:
30006-080045810
в наличии
отсутствует
Добавить
70
руб.
9AWV-030030-8000-0BP00
Крепление электропривода для крепления прицепа
Артикул:
9AWV-030030-8000-0BP00
в наличии
отсутствует
Добавить
281
руб.
9AYV-031000-8501-0BP00
Сварная конструкция с рамой
Артикул:
9AYV-031000-8501-0BP00
в наличии
отсутствует
Добавить
50 872
руб.
9AWV-030200-8002
Сварная система педали правой ноги
Артикул:
9AWV-030200-8002
в наличии
отсутствует
Добавить
4 025
руб.
9AWV-030200-8003
Сварная система педали правой ноги
Артикул:
9AWV-030200-8003
в наличии
отсутствует
Добавить
4 329
руб.
9AWV-030100-8002
Сварная система педали левой ноги
Артикул:
9AWV-030100-8002
в наличии
отсутствует
Добавить
4 025
руб.
9AWV-030100-8003
Сварная система педали левой ноги
Артикул:
9AWV-030100-8003
в наличии
отсутствует
Добавить
4 329
руб.