Ваш город - Москва,
угадали?
Да
Нет
Ваш город:
Москва
Отправить сообщение
Вход
Войти
Регистрация
0
Каталог товаров
CF1000AZ-2
CF1000AZ-2A
CF1000AZ-3
CF800AZ-3
CF600AU-3LA
CF500AU-9L
CF400AZ-3L
CF500A (2A)
ZFORCE 1000 SPORT EPS
Аксессуары
Внедорожные фары
2V91Y-F FOR CF1000AZ-2(2A,3)
2V91W-F FOR CF800AZ-3
191S-B FOR CF600AU-3LA
191Q FOR CF400AU-3L/3S
191R-E FOR CF500AU-9L/9S
2V91Y-D FOR ZFORCE 950 Sport-4 EPS
Инструмент
Бренды
Производитель 1
Производитель 2
О магазине
Оплата
Доставка
Контакты
Панель приборов
Система выпуска (Глушитель)
Электрическая система
Система выпуска (Глушитель)
Главная
Каталог
CF500A (2A)
Система выпуска (Глушитель)
Сортировка:
Без сортировки
Популярные
Новинки
Сначала дешевле
Сначала дороже
По размеру скидки
Высокий рейтинг
Названию, по возрастанию
Названию, по убыванию
Всего найдено:
1
Артикул
Наименование
Наличие
Цена
901A-0201B0
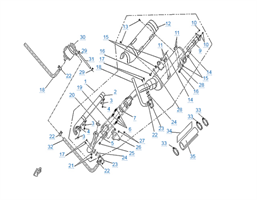
Глушитель в сборе
Артикул:
901A-0201B0
в наличии
отсутствует
Добавить
18 556
руб.